工作時間 周一至周六 8:00-17:00
JJJ-1直流絕線監視繼電器用于直流母線電壓回路,監視直流母線絕緣水平,當直流母線絕緣下降到一定程度時,該繼電器動作發出警告信號。
JJJ-1應用范圍
JJJ-1直流絕線監視繼電器用于直流母線電壓回路,監視直流母線絕緣水平,當直流母線絕緣下降到一定程度時, 該繼電器動作發出警告信號。
JJJ-1主要技術參數
直流額定電壓: 220V、110V、48V。
繼電器的平衡電阻和靈敏元件電阻值

繼電器動作值:當母線任何一側對地絕緣電阻下降到下表規定值時,繼電器應可靠動作。

觸點容量:當直流電壓不大于220V,電流不大于0.2A,直流有感負荷(時間常數為5±0.75ms) ,觸點斷開容量為20W.無感負荷40W。
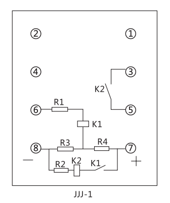
JJJ-1內部接線及外引接線圖

JJJ-1外形及開孔尺寸

礦山冶金
化工、化肥、水泥、紡織
能源、環保
機械電子
火電、水電
造紙、制糖、制藥
市政基礎建設
原料、鋼鐵
上一篇:DH-3重合聞裝置
下一篇:JJJ-4B直流絕緣監視繼電器

