工作時間 周一至周六 8:00-17:00
DLS-20雙位置繼電器用于直接操作的各種保護和自動控制中,以實現機械閉鎖,并有位置指示。
DLS-20雙位置繼電器概述
DLS-20雙位置繼電器用于直接操作的各種保護和自動控制中,以實現機械閉鎖,并有位置指示。
DLS-20雙位置繼電器結構特點
該繼電器采用JK-11K、 H、 Q型標準化殼體,具有嵌入式板后接線(JK-11K)、凸出式板后接線和凸出式板前接線(JK-1Q)三種結構形式,
DLS-20雙位置繼電器參數
DLS-20雙位置繼電器主要技術數據見表 。
額定電壓 | 額定電流 | 動作値 | 功率消耗(W) | 角更點斷開容量 | ||
Un(V) | In(A) | 電壓線圈 | 電流線圈 | 電壓線圈 | 電流線圈 | |
220 | 0.25,1,2,4 | ≤70%Un | ≤90%In | 12 | 11 | DC:50W |
110 | 0.25,2,4,6 | AC:250VA | ||||
48 | 0.25,2,4,6 | |||||
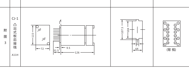
DLS-20雙位置繼電器背后端子接線圖

DLS-20雙位置繼電器外形及開孔尺寸


礦山冶金
化工、化肥、水泥、紡織
能源、環保
機械電子
火電、水電
造紙、制糖、制藥
市政基礎建設
原料、鋼鐵
上一篇:DLS-5/1雙位置繼電器
下一篇:DLS-35A雙位置繼電器

